科研学术

生命学院参与Nature研究成果 揭示人脑毕生发展里程碑
2022-04-08
4月6日,《Nature》在线发表了长文《Brain charts for the human lifespan》,揭示了人脑毕生发展(16孕周至100岁)里程碑,称“这些通过分析全球十万余人脑扫描而构绘的图...
国家工程中心毕磊教授在Nature Communications发表研究成果
2022-04-06
近日,我校国家电磁辐射控制材料工程技术研究中心邓龙江院士团队毕磊教授在Nature Communications发表题为“Observation of optical gyromagnetic properties in a magneto-...
生命学院类脑计算团队在IEEE顶级期刊连续发表两项医学人工智能研究成果
2022-04-02
最近,生命科学与技术学院“视觉认知与类脑计算”团队在医学成像领域的国际顶级期刊 IEEE Transactions on Medical Imaging(中科院大类分区1区TOP期刊,最新影响因子为10.0...
第四届亚洲能源与电气工程研讨会(AEEES 2022)召开
2022-03-31
3月25日至28日,2022年第四届亚洲能源与电气工程研讨会(AEEES 2022)在线上顺利召开。此次会议由电子科技大学、IEEE PES、成都理工大学联合主办,电子科技大学机械与电气工...
计算机学院研究生论文被国际数据工程顶会ICDE 2022录用
2022-03-30
近日,数据管理与数据库领域的国际顶级学术会议第38届国际数据工程会议(International Conference on Data Engineering,ICDE 2022)公布论文录取结果,我校计算机科学与工...
物理学院硕士生在Applied Physics Letters上发表成果
2022-03-30
近日,应用物理类国际顶级期刊Applied Physics Letters刊登了我校物理学院硕士研究生的研究成果《Large rotating magnetocaloric effect of textured polycrystalline HoB2 ...
英才学院本科生在权威期刊IEEE TNNLS上发表论文
2022-03-29
近日,英才实验学院2018级本科生张添敬(数理基础科学专业)以第一作者身份撰写的论文“A Triple-Double Convolutional Neural Network for Panchromatic Sharpening”被人...
计算机学院数据智能团队多篇论文被全球计算机视觉顶会CVPR2022接收
2022-03-29
   近日,2022 IEEE国际计算机视觉与模式识别会议(IEEE Conference on Computer Vision and Pattern Recognition,简称CVPR)官方公布论文收录结果。本届大会总共录取来...
【发现成电】神奇的微观世界,太美妙!
2022-03-29
浩瀚星河,沧海一粟 是电子信息材料特有的浪漫 阳光下的自由,暗夜里的闪耀 是显微镜下的专属美好 为了探寻成电特色学科的魅力 寻找那些“藏起来”的成电之美 新闻中心开设...
2022-03-21
        在四川省教育厅刚刚公布的2021-2023年四川省高等教育人才培养质量和教学改革项目立项名单中,经管学院教师作为项目负责人的7个项目获得立项,其中两个项目为重点项...
生命学院neuSCAN团队在IEEE顶级期刊发表基于医学影像人工智能的孤独症辅助诊断成果
2022-03-18
近日,我校生命科学与技术学院neuSCAN团队在美国电气和电子工程师协会(IEEE)人工智能及机器学习领域国际顶级期刊IEEE Transactions on Neural Networks and Learning Syst...
物理学院杨智副研究员在Physical Review Letters上发表科研成果
2022-03-17
近日,物理类国际顶级期刊Physical Review Letters刊登了我校物理学院杨智副研究员的学术论文“Novel Coupled Channel Framework Connecting Quark Model and Lattice QCDfo...
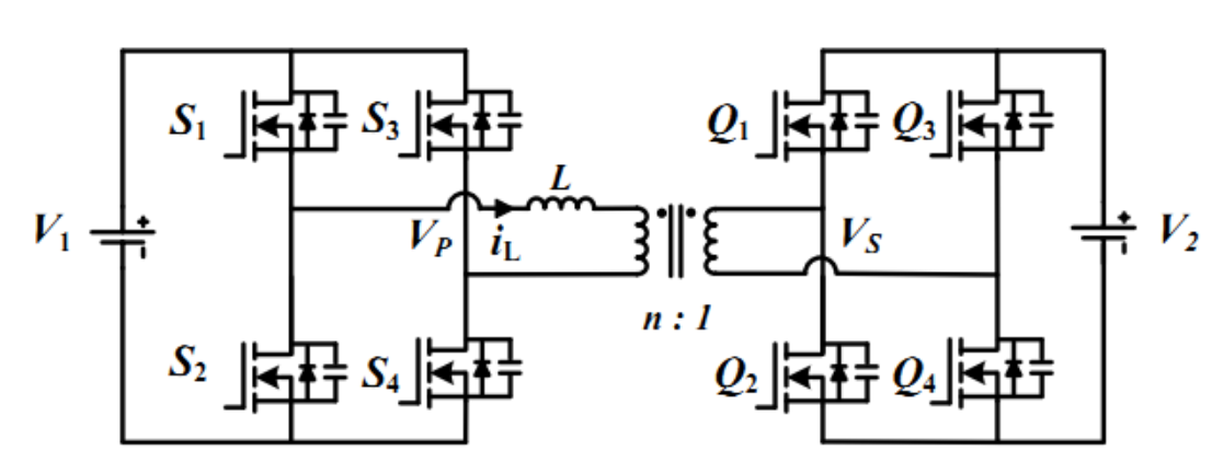
自动化学院硕士生在IEEE顶级期刊发表研究成果
2022-03-14
近日,电力电子领域顶级期刊IEEE Transactions on Power Electronics和IEEE Journal of Emerging and Selected Topics in Power Electronics发表了电子科技大学自动化工程学...
自动化学院硕士生在人工智能领域顶级会议AAAI 2022上发表研究成果
2022-03-10
近日,第36届人工智能领域顶级会议AAAI 2022 (CCF A)落下帷幕。自动化工程学院2019级硕士研究生梁超在自动化研究所周雪教授的指导下,发表题为 “One More Check: Making ...
王政教授团队在国际固态电路会议ISSCC2022上发表论文
2022-03-08
        近日,电子科学与工程学院王政教授团队在具有“芯片奥林匹克”之称的IEEE国际固态电路会议(ISSCC 2022)上发表了其团队在高性能锁相环频率综合器领域的突破性研究...
基础院董帆教授团队连续在Angewandte Chemie发表碳中和重要研究成果
2022-03-07
3月1日,我校基础与前沿研究院董帆教授团队在国际化学顶级期刊Angewandte Chemie International Edition发表最新研究成果“Insights into Dynamic Surface Bromide Sites in...
热点新闻