万物奇材,组成五光十色的缤纷世界
光影汇聚,领略显微镜下的神奇幻境
林林总总的材料,无处不在、触手可及
构建了一个个造化神秀、洋洋大观
而你可曾想过——
穿越层层透镜,在光电粒子的聚焦下
又是怎样一番陆离斑驳、奇光异彩?
今天的“发现成电”栏目
让我们走进材料的另一个视角
寻索科学的风雅、工程的匠心——

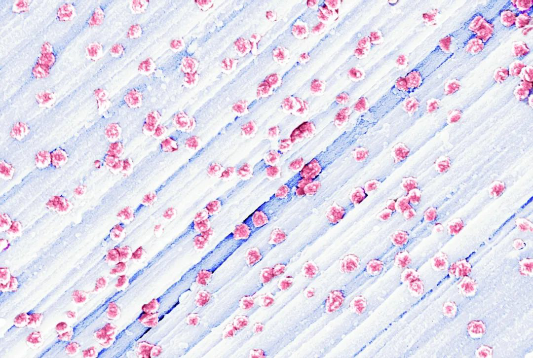
《雪钻》(张志豪),ZEISS场发射扫描电镜拍摄的碳纸上的金属镍纳米颗粒

《银杏青苔》(张志豪),ZEISS场发射扫描电镜拍摄的碳纸上的金属钴纳米片阵列
飞鸿踏雪,银杏满坪
扫描电镜下铺满金叶的蜀地青苔
与初雪后错落的指爪踪迹
被钴与镍催化着心灵的悸动
人生到处知何似,应似飞鸿踏雪泥
泥上偶然留指爪,鸿飞那复计东西

《一路生花》(赵圣哲),Bi2O3的扫描电子显微镜(SEM)图

《一路生花》(王文杰),N80钢在高浓度NaCl溶液和CO2气氛下的腐蚀后的扫描电子显微镜(SEM)图
缤纷的世界像一幅缤纷的画
无法阻拦的是恣意盛开的它
花海中游走着化学键的奥秘
还有那熵增焓变的童话
在小小的高倍物镜中
我亲眼见证分子与原子一路生花

《晶体螺旋位错》(高小洪),螺型位错无多余半原子面,原子错排是呈轴对称的

《球状MXene》(曾洪亮),新颖的球状MXene结构
螺旋、对称,位错、层叠
似自然挥毫,纵意而游云惊龙
似造化吟咏,杂沓而琴瑟和谐
杂乱中潜存规律的几何维度
隐隐昭示着材料的宝藏性质,静待采掘

《俄罗斯方块》(段凤娇),通过聚合物与金属离子络合制备出具有立方形貌的聚合物基多孔材料,该材料对水体中的有机污染物具有优异的吸附降解性能

《沙滩积木》(吴函容),聚合物组装体
聚合物似乎充满童真与童趣
络合为俄罗斯方块的随机挪移
尝试着沙滩积木的排列组合
仿佛孩童般地自由嬉戏

《单宁的铁色音阶》(何敏琪),铁和单宁酸交汇
铁和单宁酸交汇的瞬间
犹如一位舞者着水墨色长裙
翩若惊鸿,婉若游龙

《轻轻守护纯粹的心》(胡嘉彬),用溶液结晶是一项最基础的操作,但想要结出一块较为成功的晶体,却有很多需要考虑的因素

《美如冰川》(李欣研)
多么剔透的冰晶与冰川!
雪山飞舞云缠绕,万仞冰川直耸天
有洁白透亮的自然寒气
亦有阳光微暖的人间温度




《光影美学》(黄维东),该组图片呈现了物质在热台偏光显微镜下先升温再降温的完整相变周期的偏光图片(POM)
光与影在这里汇聚,冷与热在这里凝合
浮光掠影,似水中秋日,红叶簌簌
亦寒亦暖,究相变法则,真理昭昭

《YF3纳米花》(陈麟如),通过简单的水热方法,我们合成了氟化钇(YF3)粉末,扫描电镜图显示了该材料的微观形貌

《微世界》(蒋小丽),阴阳离子双掺杂的磷化镍微花

《漂亮的花状》(张彪),不同的半导体的复合,由于片片之间的堆叠,包裹而成一个漂亮的花状,有效的提高光催化活性
绽放是青春的誓言
盛开是万物的渴盼
微观世界也有花团锦簇
分子原子也要群芳争艳

《深渊》(李杭起),光学显微镜下多孔铜电镜

《侏罗纪公园》(刘宸辰),散落的聚合物组装体
黝黯的色调
似乎在用厚重的历史感,揭示科学的结晶
凝视深渊,那恐龙骨骼似的聚合物
仿佛将思绪引向亿万年前

《高速公路》(乔彦锈),以聚苯乙烯为末端段,以聚丁二烯加氢得到的乙烯-丁烯共聚物为中间弹性嵌段的线性三嵌共聚物
城市中错综复杂的高速路网
连接着人间的万千思念
高分子中的这些高速路
又暗藏着哪些秘密关联

《守护海底花园》(沈红梅),N80钢在CO2下腐蚀后的扫描电子显微镜(SEM)图

《镜中“珊瑚”》(岳桓丞),所摄材料为一种用于储能领域的MOF复合材料,颗粒的表面片层交错,无规则的排列下却组合成一颗完美球形
潜入科学的浩瀚大海
欣赏一片别样的海底风光
静静坐在实验室中
亦可领略触手可及的珊瑚汪洋

《我为火星镀星环》(相君伦),该组图片是进行聚酰亚胺(PI)表面金属化的初期实验探索过程中拍摄采集,橘红色的PI薄膜表面沉积有一层薄薄的纳米铜

《材料之心》(吴毓飞),此图片为锰/锌金属有机物骨架的一张SEM扫描图稍加修改而来
谁言材料冰冷、科技如霜?
有此美景,似春风拂煦、花令暖阳
永怀一颗对科学热爱的心
科学还你一片热烈的爱!
编辑:张闻起 /
审核:林坤 /
发布:陈伟